Wednesday, June 18, 2014

Refrigeration Type Air Dryer

Refrigeration Type Air Dryer

CRV Variable Operation Refrigeration Dryers
1 Energy Saving Refrigeration Air Dryers The Problem Compressed air is an essential power source that is widely used throughout industry. This safe, powerful ... Fetch Here

Refrigeration Type Air Dryer Pictures

HIGH TEMPERATURE REFRIGERATION AIR DRYER EDR SERIES OWNER ...
Great Lakes Air Products Inc. 5861 Commerce Drive Westland, MI 48185 PH: 734-326-7080 FX 734-326-5910 www.glair.com HIGH TEMPERATURE REFRIGERATION AIR DRYER ... Retrieve Content

Images of Refrigeration Type Air Dryer

KA-004E Refrigeration Air dryer Installation, Operating And ...
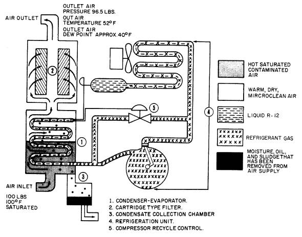
Refrigeration Air dryer Installation, Operating and Maintenance Manual This instruction manual must be read by everyone who installs or works with this equipment . 1 Hot saturated compressed air enters the after-cooler G Type where it is cooled by ... Access Doc

Pictures of Refrigeration Type Air Dryer

Owner’s Manual Refrigerated Compressed Air Dryers Model F-20
How the Air Dryer Works repairs of the refrigeration systems must be made by a qualified refrigeration service technician. These units will utilize either a braze plate or modular type heat exchanger which will be warranted for five (5) years. ... Doc Retrieval

Thermostat - Wikipedia, The Free Encyclopedia
This "control air" system responds to the pressure changes This type of device is generally considered obsolete as pilot lights waste a surprising amount of gas The heat pump is a refrigeration based appliance which reverses refrigerant flow between the indoor and outdoor coils. ... Read Article

Silent Air Compressors From Fridge Compressors - YouTube
A few ppl have asked for more info on using a fridge compresssor as an air pump in the past so I thought I'd show y'all my silent compressors to give an idea ... View Video

Refrigeration Type Air Dryer Pictures


Dryer Type Air Load Percentage 38°F Dew Point 100% 80% 60% 40% 20% 0% so the refrigeration compressor can be stopped and started. Energy is saved while the compressor is off. Start/ stop temperature differential set points may produce an ... Fetch Content

Refrigeration Type Air Dryer Images

Standard Air Dryer System - OKC Home Page
Dried in a refrigeration type air dryer (35 to 50 °F pressure dew point). • The dryer can be continuously operated. • The output air pressure/flow has a momentary pulse as the solenoid valve switches flow (every 30 sec.). To reduce the pulsation, install ... Retrieve Here

Pictures of Refrigeration Type Air Dryer

Refrigerated Air Dryer Large Size Series
New dryer Conventional dryer Refrigerated Air Dryer 1 2 Air-cooled type can be used at ambient temperature 45oC. Secondary heater helps the heat radiation of the condenser allows use at ambient temperature 45oC. ... Fetch Document

What Are Screw-in Plug Fuses, Tamper-proof Fuses, And Fuse ...
They allow the newer ad safer "S" type tamper-proof fuses to be screwed into the standard bases. simply screw the new "S" type fuse into the base and then screw the How To Change An Electric Dryer Cord From See More About: time delay fuses; tamper Air Conditioning, Fans ... Read Article

Refrigeration Type Air Dryer

BURAN REFRIGERATION COMPRESSED AIR DRYER - Donaldson Company
The main feature of the Buran refrigeration compressed air dryer is the aluminium heat exchanger Aluminium Heat Exchanger Air-to-air heat exchanger Refrigerant outlet Refrigerant- Type Volume flow Pressure drop Power supply Power consumption Cooling air requirement ... View Document

Refrigeration Type Air Dryer Images

Compressed Air And Gas Dryers - Lectrodryer
The type BZ Lectrodryer is ideally suited for drying compressed air or gas. The unit is fully automatic, positive in operation and built for reliable and foolproof Refrigeration-Type Industrial Gas Dryer Typical Application: Low pressure situations for controlling atmospheric gases. Features: ... Access Content

Air Handler - Wikipedia, The Free Encyclopedia
An air handler, or air handling unit (often abbreviated to AHU), is a device used to condition and circulate air as part of a heating, ventilating, and air-conditioning (HVAC) system. ... Read Article

Troubleshooting A Hot Water Boiler - Gas Fired Boiler Repair
PROBLEM: Expansion Tank Has Excess Water and Inadequate Air; PROBLEM: Water Leakage Around Boiler; PROBLEM: Not All Radiators Heat; PROBLEM: Noisy Pipes; Next. Tips and Tricks on Home Ownership. Promotional Feature: View this video series to learn how to take good care of your house. ... Read Article

Dehumidifier - Wikipedia, The Free Encyclopedia
A dehumidifier is generally a household appliance which reduces the level of humidity in the air, usually for health or comfort reasons, or to eliminate dank smells. ... Read Article

Refrigeration Filter Drier Machine - YouTube
5:31 Refrigerant Filter Dryer Exposed by Aussie50 66,698 views; 8:56 Installation of a Ductless Air Conditioning System by Ingram's Water And Air 555,252 views; 19:34 Principles of Refrigeration by PublicResourceOrg 476,925 views; ... View Video

Refrigeration Type Air Dryer Images

Selecting A Compressed Air Dryer - Canadian Purcell Machinery
Refrigerated compressed air dryers are the most used type of dryer in manufacturing plant and auto body Most refrigerated dryers pre-cool the incoming air before it reaches the refrigeration circuit. Pre-cooling reduces the load on the chiller so that smaller, ... Fetch Document

Photos of Refrigeration Type Air Dryer

Six Trends Shaping Consumer Appliances
Appliance trends may have more staying power than the latest fashion craze, with some like stainless steel appliances, hovering at the top for about 20 years. ... Read News

Photos of Refrigeration Type Air Dryer

Refrigerated Air Dryers - SMC ETech: Cylinders And Automation ...
Refrigeration Cooler Re-heater Evaporation thermometer Condenser Volume control valve Capillary tube Fan motor Capillary tube Compressor for refrigeration Pressure switch thread type of an IN/OUT fitting for an air dryer. 40°C Max. ambient temperature 40°C ... Fetch Document

Refrigeration Type Air Dryer Pictures

Refrigerated Air Dryer Large Size Series
New dryer Conventional dryer 6 8 kW kW 1 2 Refrigerated Air Dryer 1 2 Air-cooled type can be used at ambient temperature 45oC. Secondary heater helps the heat radiation of the condenser allows use at ambient temperature 45oC. ... Retrieve Document

Pictures of Refrigeration Type Air Dryer

Refrigeration Compressed Air Dryer Boreas Variopulse
The intelligent refrigeration compressed air Aluminium heat exchanger Generously proportioned high performance air/air and refriger-ant/air heat exchangers ... View Full Source

Images of Refrigeration Type Air Dryer

Refrigeration air dryer
17 Main line unit High polymer membrane dryer Desiccant type dryer Refrigerating type dryer Air filter Automatic drain other Water cooling refrigerator ... Access Content

How To Fix Your AC - Fan Kicks On But Compressor Not Working ...
I am not a professional. Just documenting how i repaired my friends condensing unit. This AC stop working and blows hot air. The condensing unit fan was running but the condenser didnt run because the run capacitor was bad. The run capacitor stores up charge to kick start the ... View Video

Refrigeration Type Air Dryer Pictures

Combination Refrigerated/Desiccant Compressed Air Dryers
Combination Refrigerated/Desiccant Compressed Air Dryers By David Phillips, Clean Air Treatment Product Manager Introduction: A combination refrigerated/desiccant compressed air dryer is a system that first incorporates a ... Fetch Doc

Refrigeration Type Air Dryer Photos

CyCling RefRigeRated aiR dRyeRs - Compressed Air Challenge
If a non-cycling air dryer is selected, The most common type of energy saving refrigerated dryer marketed today is the thermal mass, or cycling dryer. switch turns the refrigeration compressor off. The air is now dried solely ... Access Full Source

Marinade Science - How Marinades Work - About.com Home Cooking
Depending on the cut and type of meat, In fact, refrigeration is recommended to avoid the growth of harmful bacteria. Let meat come to room temperature before cooking Place meat in a heavy zip-top bag with the air squeezed out and turn it often to be sure all surfaces benefit from ... Read Article

Images of Refrigeration Type Air Dryer

Installation And Operation Manual - Aircel
Dryer and operating conditions (electronic type). To minimize air losses, the timer should be adjusted to open the drain solenoid just long enough to The high inlet temperature refrigerated air dryer uses a refrigeration circuit to cool the compressed air thus condensing the moisture. ... Fetch Here

No comments:

Post a Comment